Сантехника
Унитазы и биде
СПА зона
Писсуары
Душевые поддоны
Зеркала
Мини-бассейны
Полотенцесушители
Душевые системы
Смесители
Душевые кабины
Светильники
Аксессуары
Мебель и консоли
Камины
Душевые ограждения
Ванны
Инженерная сантехника
Раковины
Готовые решения
Плитка
Colorker
Althea
Amazonia
Aston
Bella Stone
Boxer
Calacatta Gold
Century
Colonial Soft
Da Vinci
Dhara
Hamilton
Horizon
Insignia
Kainos
Lakeview
Liberty
Linnear
Madison
Modular
Native
Nomade
Odissey
Petra Viva
Ragnar
Sky
Solange
Sonar
Spectrum
Takara
Verona
Wood Story
Woodside
Zaba
Equipe
Altea
Argile
Arrow
Art Nouveau
Artisan
Bali
Bauhome
Caprice
Caprice Deco
Carrara
Costa Nova
Cottage
Country
Evolution
Fan
Hanoi
Heritage
Hexatile
Kasbah
Kromatika
La Riviera
Lanse
Mallorca
Manacor
Masia
Massimo
Menorca
Metro
Octagon
Scale
Spa&Pools
Splendours
Stromboli
Vibe
Village
Wadi
FS by Peronda
Fs 1827
Fs Alora
Fs Arles
Fs Aurora
Fs Bark
Fs Blume
Fs Brush
Fs Chester
Fs Clay
Fs Damero
Fs Etna
Fs Heritage
Fs Ivy
Fs Loft
Fs Nonna
Fs Original
Fs Roots
Fs Star
Fs Temple
Fs Valentia
Fs Yard
Harmony
Aruba
Awen
Beat
Bow
Casablanca
Castello
Crisp
Cuban
Docs
Duna
Dyroy
Fold
Glint
Havana
In & Out
Jali
Joia
Kerala
Lagoon
Lins
Llevant
Mayolica
Moves
Niza
Ona
Pangea
Pique
Rainbow
Ras
Rim
Tanger
Vaho
Mirage
Appeal
Bliss
Clay
Cosmopolitan
Dijon
Elysian
Elysian Travertini
Freedom
Glocal
Gyliane
Izumi
Jewels
Jolie
Joy
Kao
Koru
Lemmy
Mand
Motley
Na.me
Nagomi
Norr
Nyuma
Oltrenero
Onyce
Oudh
Papier
Plumage
Quarziti 2.0
Reconcrete
Reflet
Regea
Restone
Signature
Silverlake
Terrae
Viceversa
Wanderlust
Museum
Arte
Artic
Bloom
Calacatta 4D
Chicago
Crystal
Dahlia
Dreamy
Dual
Eden
Grow
Haute
Kromo
Kron
Linen
Lumiere
Lumina
Mainstone
Nova
Orobico
Piemonte
Praline
Premiere
Royal
Serene
Strond
Sublime
Supreme
Torano
Zenith
Peronda
Alchemy
Alpine
Brass
Charme
Cluny
Donna
Downtown
Ghent
Ground
Grunge
Haven
House Of Vanity
Lucca
Manhattan
Scala
Verbier
Versa
Porcelanosa
3D
Antique
Artic
Austin
Baltic
Baltimore
Berna
Bottega
Bruselas
Calacata
Cambridge
Cancun
Carrara
Ceppo
Colorado
Coral
Cotto
Deco Marmi
Dolomiti
Dorcia
Dover
Durango
Elegant
Ferroker
Fontana
Gallery
Gasa
Glem
Image
Indic
Karachi
Laurent
Lexington
Liem
Linz
Liston Madera
Loft
London
Lucerna
Manhattan
Marbella
Marmi China
Massa
Matt
Metropolitan
Minnesota
Mystic
Newark
Newport
Nobu
Noir
Nolita Nyc
Oxford
Persia
Prada
Rivoli
Rodano
Saddle
Samoa
Santorini
Savannah
Sochi
Steel
Tailor
Tanzania
Taranto
Terra
Treccia
Trento
Treviso
Vancouver
Velluto
Verbier
Verona
Xlight by Porcelanosa
Aged
Aria
Astana
Blue Roma
Bottega
Cadore Arce
Calacatta
Cancun
Emerald Green
Ewood
Fiori Di Bosco
Glem
Invisible White
Liem
Montreal White
Moon
Nuit
Nylo
Orobico
Oxide Brown
Paonazzo Biondo
Santorini
Stark
Taj Mahal
Taranto
Velluto
Vendome
О нас
Доставка
Дизайнерам
Контакты
8 (495) 165-16-04
О нас
Доставка
Дизайнерам
Контакты
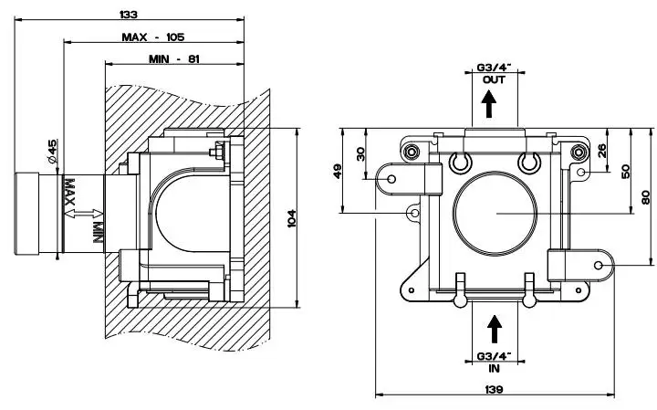
Смесители
Gessi Внутренняя часть запорного крана для термостатического смесителя
Бренд
Gessi
Стиль
Современный
Управление
Термостат
39 072